ags

 
 

Запасные части и кодировка

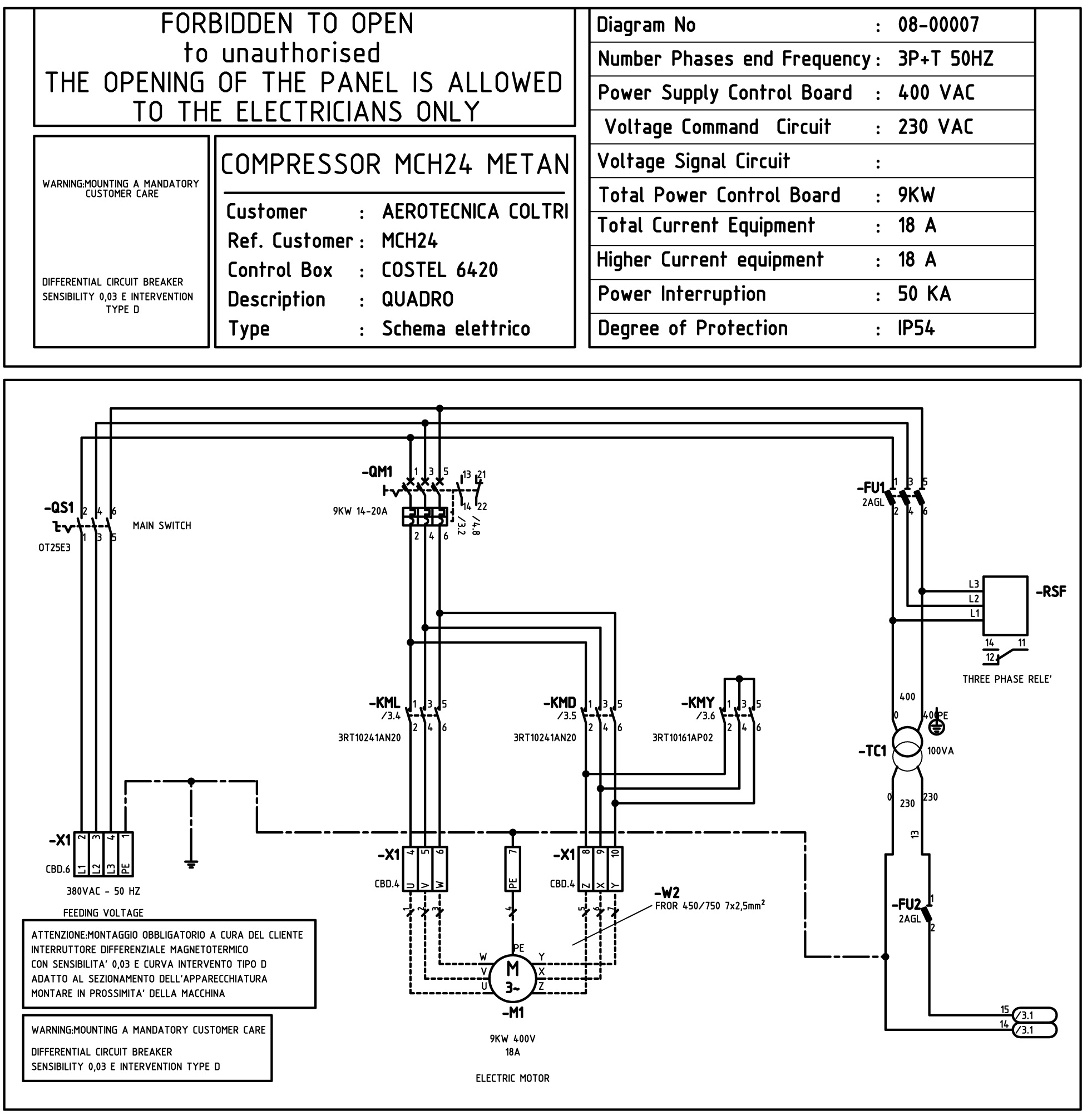
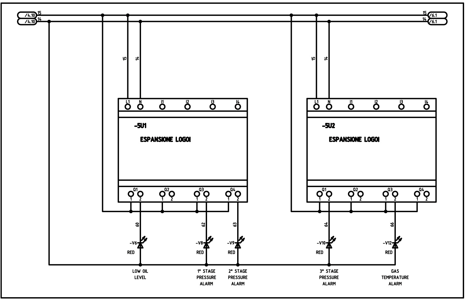
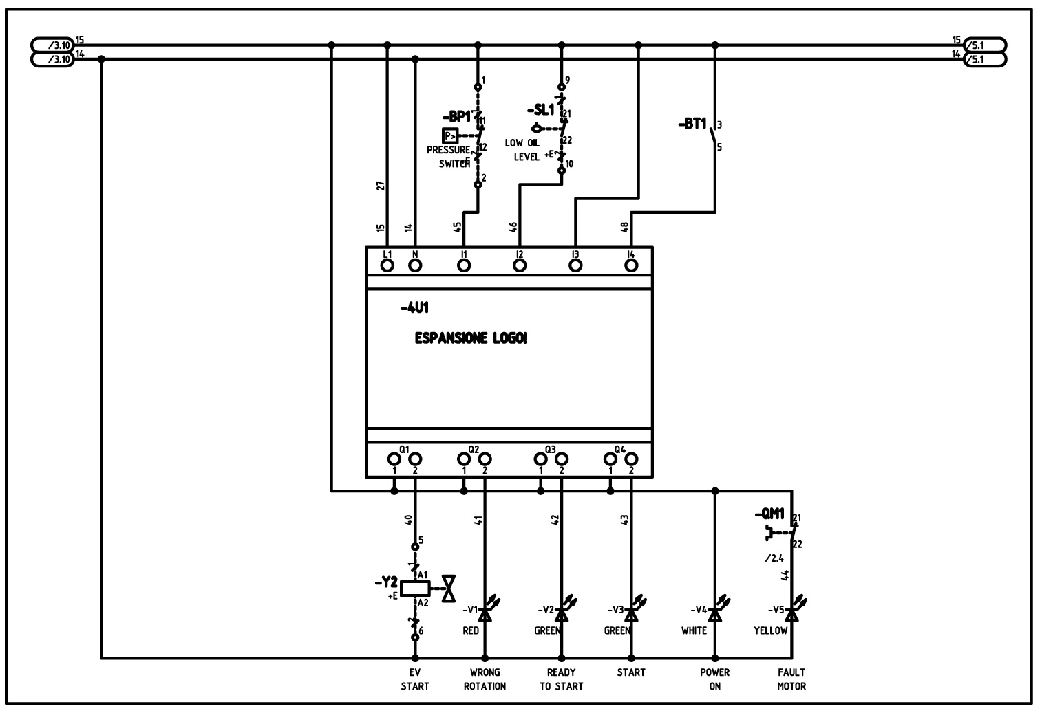
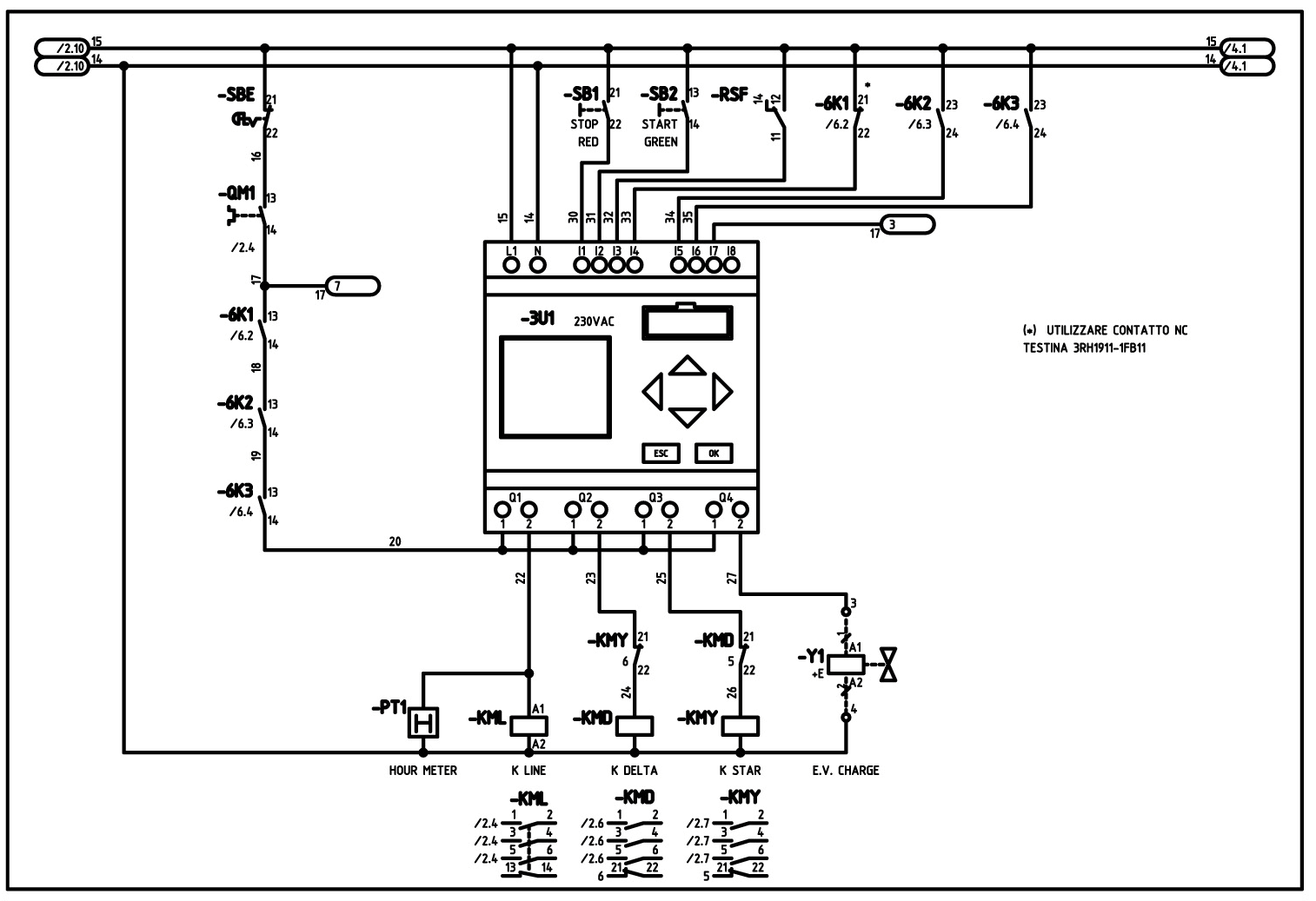
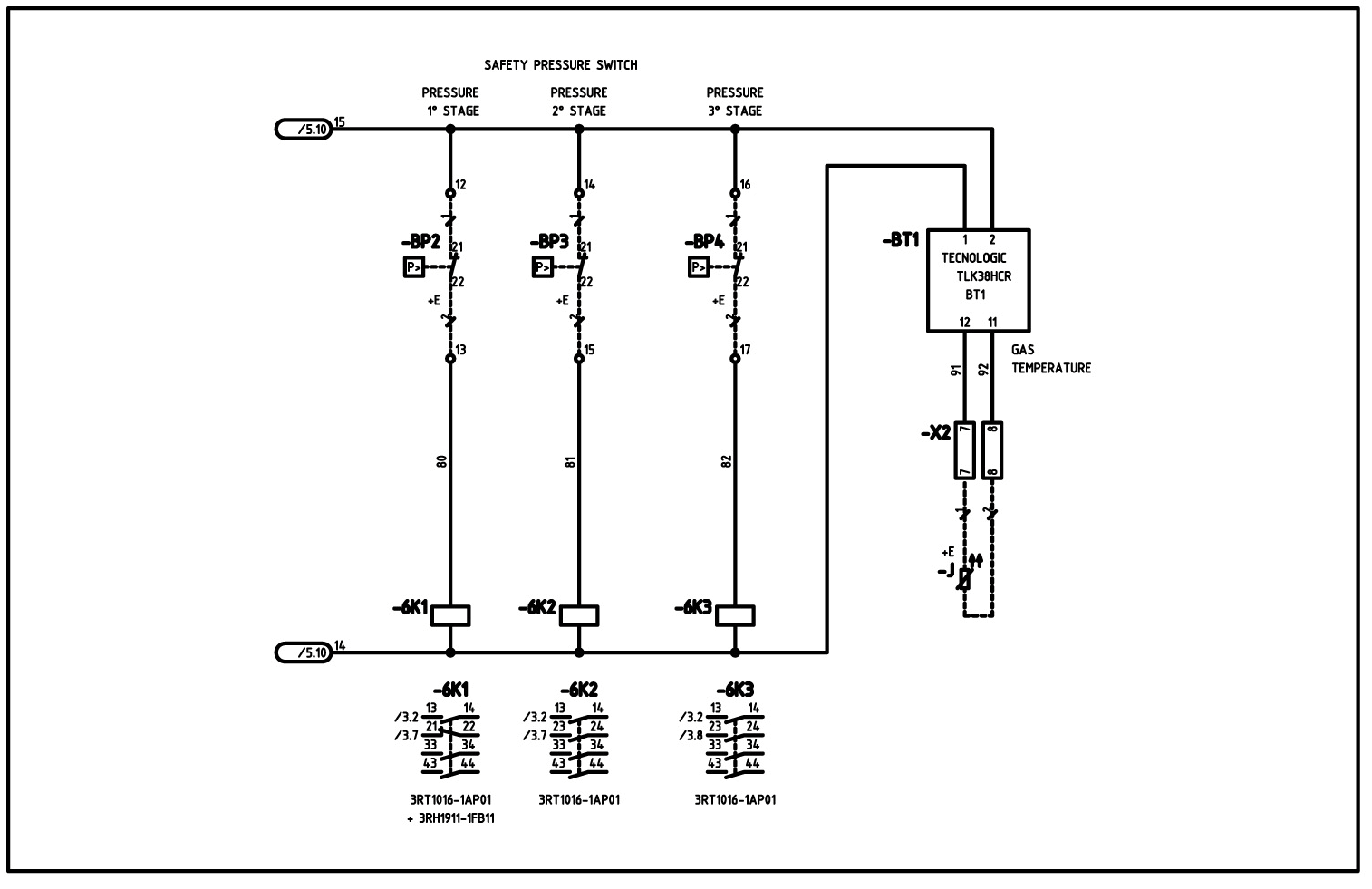
ЭЛЕКТРОЦЕПЬ компрессоров МСН-20 - МСН-24

Схемы подключения электроприборов

электроцепь компрессора

электроцепь компрессора

электроцепь компрессора

электроцепь компрессора

электроцепь компрессора

электроцепь компрессора

 

 

Электродвигатель

электроцепь компрессора

электроцепь компрессора

прайс

.. ..


Copyright © 2014 ООО Стожары Все права защищены.